Auteur |
Message |
boris

Inscrit le: 23 Oct 2013 Messages: 25 Localisation: région parisienne
|
Posté le: Mar Aoû 09, 2016 6:07 pm Sujet du message: battement axial |
|
|
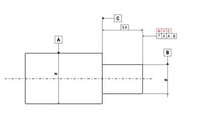
Bonjour,
Je voulais savoir si le battement axial (ou total axial) "positionnait"?
Dois-je ajouter une localisation en plus du battement pour donner une tolérance à ma cote encadrée?
Le schéma en pièce jointe pour m'expliquer.
[img]http://www.cotation-iso.fr/images/upload/boris/_174.[/img]
------
::édit::
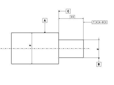
j'ai ajouté un 2ème schéma, celui ci est il "correcte" si je veux donner une valeur à ma cote encadrée?
-----
Merci pour vos réponses
| Description: |
|
| Taille du fichier: |
11.75 Ko |
| Vu: |
1133 fois |

|
| Description: |
|
| Taille du fichier: |
12.5 Ko |
| Vu: |
1191 fois |

|
|
|
| Revenir en haut de page |
|
 |
Eric

Inscrit le: 13 Nov 2008 Messages: 182 Localisation: Roanne (42)
|
Posté le: Mer Aoû 17, 2016 5:57 pm Sujet du message: Re: battement axial |
|
|
Bonjour Boris,
| boris a écrit: |
| Je voulais savoir si le battement axial (ou total axial) "positionnait"? |
Non, certainement pas.
A la limite, on pourrait dire que le battement total oriente, mais il ne positionne pas.
D'ailleurs, vous n'avez pas besoin de la cote encadrée de 55 pour construire la zone de tolérance du battement.
| boris a écrit: |
| Dois-je ajouter une localisation en plus du battement pour donner une tolérance à ma cote encadrée? |
Oui, sans aucun doute.
Cordialement
_________________ Le temps est un mauvais maître mais le meilleur des serviteurs. |
|
| Revenir en haut de page |
|
 |
boris

Inscrit le: 23 Oct 2013 Messages: 25 Localisation: région parisienne
|
Posté le: Jeu Aoû 18, 2016 8:26 pm Sujet du message: |
|
|
| Merci Eric pour ta réponse.
|
|
| Revenir en haut de page |
|
 |
Frederic Charpentier Modérateur

Inscrit le: 27 Avr 2011 Messages: 165 Localisation: Neuilly Sur Seine
|
Posté le: Ven Aoû 26, 2016 9:14 am Sujet du message: |
|
|
Bonjour à tous
Le battement total est l'effet combiné du défaut de forme avec l'orientation ou du défaut de forme avec la position.
Si vous aviez spécifié du battement total axial, alors la spécification dans ce cas serait totalement équivalente à de la perpendicularité.
Dans votre cas, le battement circulaire axial permet de spécifier des lignes extraites circulaires et de rechercher la caractéristique d'amplitude axiale.
Cdl
_________________ Expert français AFNOR - ISO/TC213 (GPS - ISO) l’UNM 08 (spécification), UNM 09 (vérification et contrôle)
Expert français AFNOR - CEN/TC 279 (Management par la valeur - Analyse fonctionnelle)
Membre du GRT
Docteur en mécanique |
|
| Revenir en haut de page |
|
 |